NMITA:Neogene Marine Biota of Tropical America

Specimen Details | Enlarge
Specimen Details | Enlarge
Specimen Details | Enlarge

Manicina puntagordensis Weisbord, 1968

Synonymy:

Holotype: PRI 27560

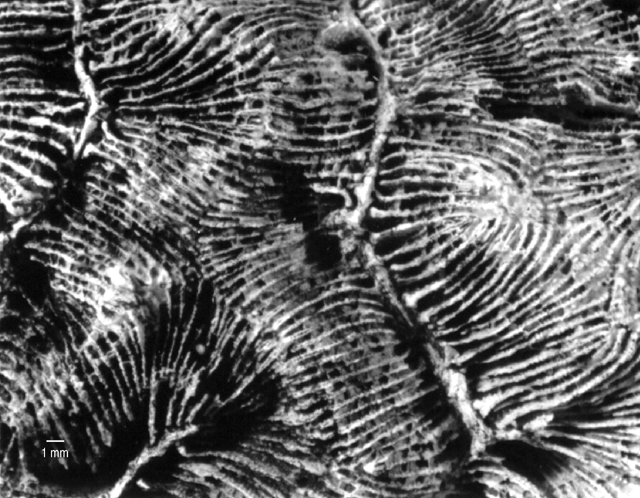
Morphologic Description:
Meander series sinuosity: straight
Colony size: medium (10-30cm)
Attachment of skeleton: free-living
Epitheca: well-developed
Wall development between buds: never
Symmetry of bud geometry: multi-directional
Calice or valley width: very large (>15mm)
Calice relief: high (4-10mm)
Calicular platform shape: v-shaped
Coenosteum: narrow (< valley width)
Exothecal dissepiments: present
Number of septal cycles: >3
Septal spacing (per 5mm): <6
Relative septa thickness: unequal
Relative costae thickness: equal
Continuity of costae: continuous
Septal lobes: present
Paliform lobes: absent
Columella continuity: continuous
Columella width: 1/3
Endothecal dissepiments: abundant
Wall structure: parathecal
Double or single wall: double

Distribution:
Late Miocene to Early Pliocene : Gurabo Fm., Rio Cana, Dominican Republic; Seroe Domi Fm., Salina St. Michiel, Curacao;
Early Pliocene : Gurabo Fm., Rio Cana, Dominican Republic; Seroe Domi Fm., Salina St. Michiel, Curacao; Seroe Domi Fm., Salina St. Michiel, Curacao; Seroe Domi Fm., Salina St. Michiel, Curacao; Seroe Domi Fm., Salina St. Michiel, Curacao;
Early Pliocene to Late Pliocene : Tamiami Fm., Sarasota, Florida; Seroe Domi Fm., St. Michiel ridges, Curacao; Seroe Domi Fm., St. Michiel ridges, Curacao;
Late Pliocene : Bowden Fm., Bowden Shell Beds, Jamaica; Bowden Fm., Bowden seacliff, Jamaica; Q.Chocolate Fm., Buenos Aires, Costa Rica; Shark's Hole Fm., Isla Bastimentos, Panama;
Late Pliocene to Early Pleistocene : Moin Fm., Lomas del Mar, Costa Rica; Moin Fm., Lomas del Mar, Costa Rica; Moin Fm., Lomas del Mar, Costa Rica; Moin Fm., Lomas del Mar, Costa Rica; Moin Fm., Lomas del Mar, Costa Rica; 'Old Pera' beds, Pera Point, Jamaica;
Early Pleistocene : Caloosahatchee Fm., Shell Creek, Florida;


Last updated on June 17, 1998-kgj.


[ NMITA homepage| Zooxanthellate Corals| List of zoox-coral taxa ]