
Holotype: USNM M325958; Early Miocene, La Boca Formation; Empire, Panama.
Morphologic Description:
Colony form: subcerioid or plocoid, Colony shape: massive or branching, Budding: extramural, Columella: trabecular and discontinuous, Corallite size: medium (1.5 - 10 mm), Wall structure: synapticulothecal, Lobes: none
Synonyms:
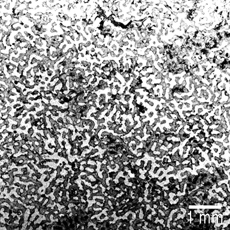
(C) NMB. |
Specimen details: Image Description: Holotype USNM M325058 Image view: colony. Specimen figured Foster 1986, pl.32, f.1. Locality: GS 06016 Empire, Panama, southwest Caribbean. Early Miocene, La Boca Formation. - Enlarge Image - |
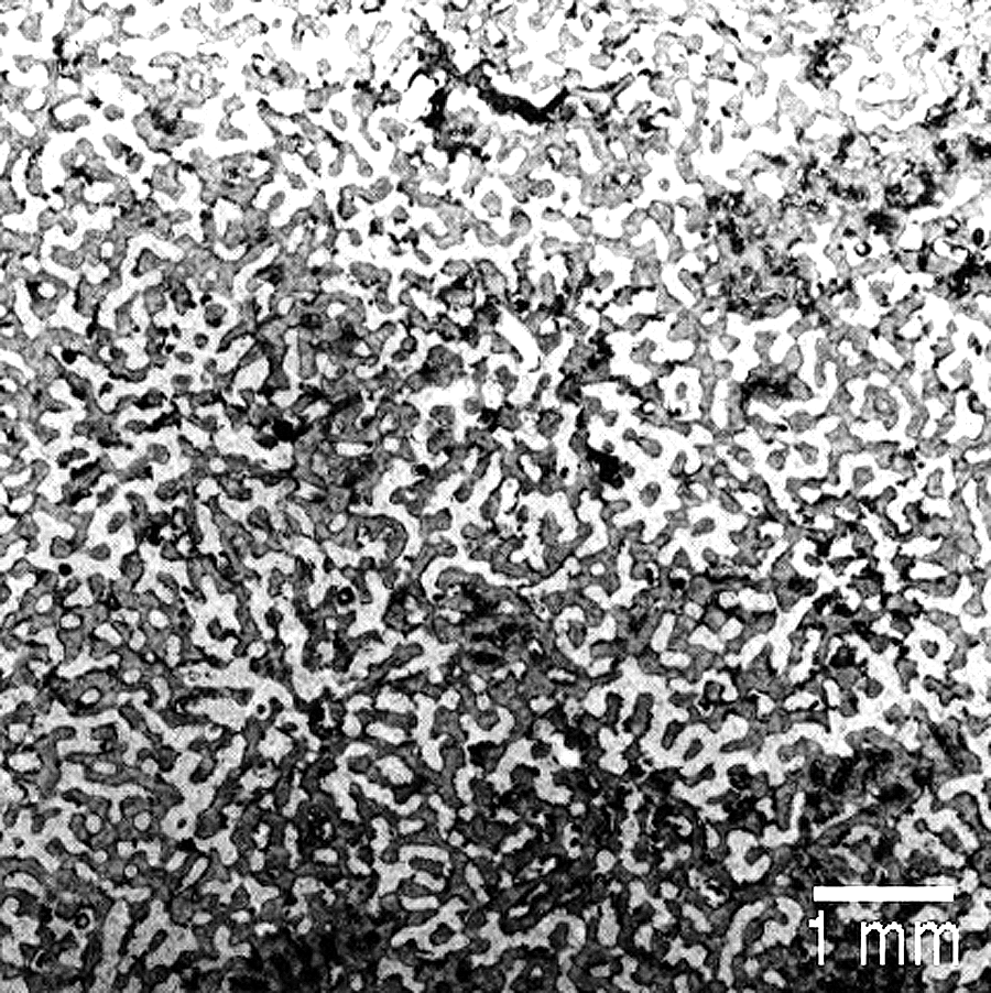
(C) NMB. |
Specimen details: Image Description: figured NMB D5853 Image view: colony. Specimen figured Foster 1986, pl.32, f.4. Locality: NMB 15861 Rio Gurabo, Dominican Republic, central Caribbean. Late Miocene - Early Pliocene, Gurabo Formation. - Enlarge Image - |
(C) NMB. |
Specimen details: Image Description: Holotype USNM M325058 Image view: calice. Specimen figured Foster 1986, pl.33, f.1. Locality: GS 06016 Empire, Panama, southwest Caribbean. Early Miocene, La Boca Formation. - Enlarge Image - |
(C) NMB. |
Specimen details: Image Description: figured NMB D5853 Image view: calice. Specimen figured Foster 1986, pl.33, f.5. Locality: NMB 15861 Rio Gurabo, Dominican Republic, central Caribbean. Late Miocene - Early Pliocene, Gurabo Formation. - Enlarge Image - |
(C) Uni Basel. |
Specimen details: Image Description: figured NMB D5853 Image view: calice. Specimen figured Foster 1986, pl.34, f.1. Locality: NMB 15861 Rio Gurabo, Dominican Republic, central Caribbean. Late Miocene - Early Pliocene, Gurabo Formation. - Enlarge Image - |
(C) AFB. |
Specimen details: Image Description: figured NMB D5854 Image view: transverse. Specimen figured Foster 1986, pl.35, f.1. Locality: NMB 16933 Rio Gurabo, Dominican Republic, central Caribbean. Late Miocene - Early Pliocene, Gurabo Formation. - Enlarge Image - |